Home ProductsSpare PartsAxleJC50S Loader Drive Axle
JC50S Loader Drive Axle

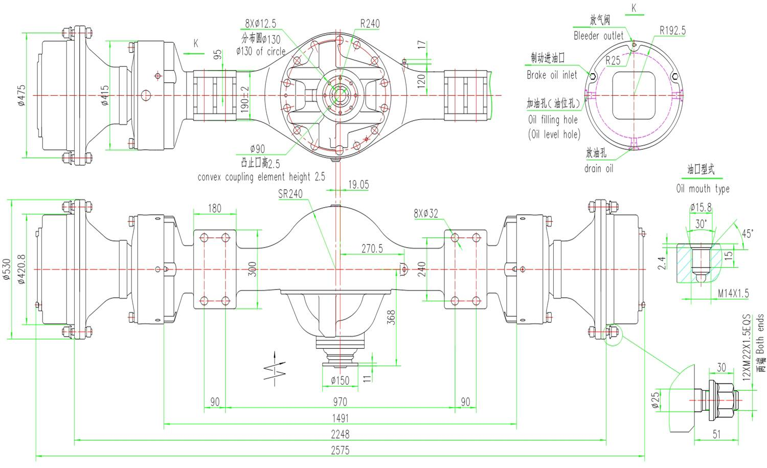
Two-stage reduction transmission structure with a variety of transmission ratios available.

The final drive adopts Gleason spiral bevel gears, featuring high transmission efficiency and low noise.

The wheel end adopts NGW-type planetary reduction mechanism with a reasonable and compact design.

The brake is an enclosed multi-disc wet brake, hydraulically applied and spring released, with stable, safe and reliable braking performance.

No-spin anti-skid differential is optional for the differential.

Suitable for ZL50 series loaders.

Download Brochure
Parameters

Note: Specifications and designs are subject to change without notice.


Parameters

Specification

Total transmission Ratio

22.853

Maximum input torque

5100N.m

Load each axle

27000Kg

Braking oil pressure

10Mpa

Braking capacity

40~70ml

Braking moment

26000N.m

Oil request for driving axle (API standard)

GL-5: 85W/90 Gear Oil (above -12 °C)

GL-5: 80W/90 Gear Oil (above -26 °C)

Oil request for brake

L-HL46 Hydraulic oil


Cases
Talk to a sales expert today.
Our team works with you end-to-end tracking service.
Contact Us